快速维修故障案例及研讨类技术文由卡尔玛亚洲培训中心(KATC)收集整理编写。转发请注明出处。
卡尔玛亚洲培训中心(KATC)致力于成为引导亚洲集装箱装卸工业领先的培训中心,KATC提供一个专业的平台供广大的合作伙伴和用户在全球无界的知识环境中投入学习、忘掉弊习、重新学习。
了解更多KATC详情:
谢汉生
电话:+86 138 6045 3391
邮箱:Hansheng.Xie@kalmarglobal.com
卡尔玛已连续十年推出快速维修故障案例,帮助客户解决了各类设备故障,减少了设备停机时间。卡尔玛今年将继续在各社交平台推出快速维修故障案例分享,同时也将发布一些研讨类技术文,帮助客户及维修人员解决疑难杂症,普及机车技术理论,进一步帮助客户提高生产力。
我们将分享的2025年第二则是DRF450正面吊大臂下降速度慢故障快速维修案例。

作者:烟台国际集装箱码头有限公司 王军
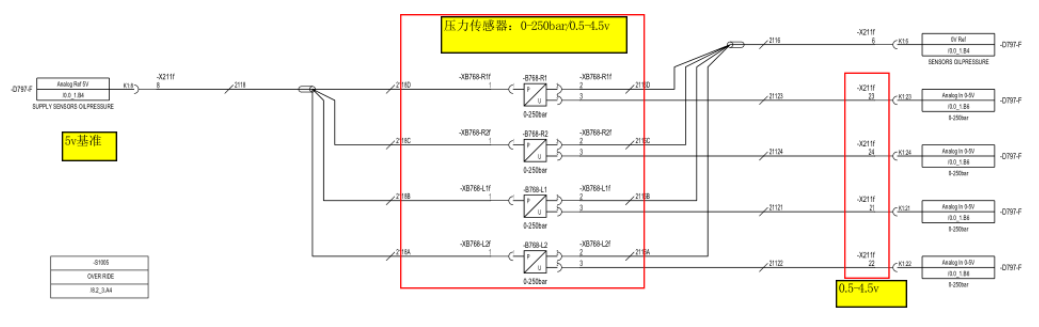
一台正面吊大臂下降速度慢报105,133,135故障。
1、先查阅机车故障代码表来了解故障信息。

2、根据故障代码的描述初步判断起升油缸压力传感器的5V基准电压出现问题。



1、右侧起升油缸压力传感器5V基准电压短路造成105和133故障代码的出现,作为现场维修人员熟悉并掌握故障代码的查询,能够迅速找出代码之间的关系,是十分必要的,维修人员还要具备快速查询卡尔玛机车显示屏诊断功能菜单的技能,以及熟悉其中的数据分析判断的能力。
快速维修故障案例及研讨类技术文由卡尔玛亚洲培训中心(KATC)收集整理编写。转发请注明出处。
卡尔玛亚洲培训中心(KATC)致力于成为引导亚洲集装箱装卸工业领先的培训中心,KATC提供一个专业的平台供广大的合作伙伴和用户在全球无界的知识环境中投入学习、忘掉弊习、重新学习。
了解更多KATC详情:
谢汉生
电话:+86 138 6045 3391
邮箱:Hansheng.Xie@kalmarglobal.com