快速维修故障案例及研讨类技术文由卡尔玛亚洲培训中心(KATC)收集整理编写。转发请注明出处。
卡尔玛亚洲培训中心(KATC)致力于成为引导亚洲集装箱装卸工业领先的培训中心,KATC提供一个专业的平台供广大的合作伙伴和用户在全球无界的知识环境中投入学习、忘掉弊习、重新学习。
了解更多KATC详情:
谢汉生
电话:+86 138 6045 3391
邮箱:Hansheng.Xie@kalmarglobal.com
卡尔玛已连续十年推出快速维修故障案例,帮助客户解决了各类设备故障,减少了设备停机时间。卡尔玛今年将继续在各社交平台推出快速维修故障案例分享,帮助客户及维修人员解决疑难杂症,普及机车技术理论,进一步帮助客户提高生产力。
我们将分享的2025年第三则是DCU堆高机吊具无法起升故障快速维修案例。

作者:山东庚岳机械设备有限公司 隋树刚
一台DCU80堆高机吊具无法起升,吊具开闭锁指示红灯和绿灯闪烁。

1、维修人员到达现场,检查发现机车驾驶室显示屏出现故障代码:
007/B7205 -RI / 7
007/B7205 -左/ 7

2、查询卡尔玛手册故障代码表:

这两个故障代码说明吊具上开闭锁传感器同时有信号输入到吊具电脑KAU。

从诊断菜单发现,吊具在解锁状态时,右侧锁上信号仍然是1;
吊具在锁上状态时,左侧解锁信号仍然是1;
在吊具解锁状态下,拔开吊具右侧锁上传感器插头,右侧锁上信号仍然是1;
在吊具锁上状态下,拔开吊具左侧解锁传感器插头,左侧解锁信号仍然是1;
说明此故障原因与吊具开闭锁传感器没关系。

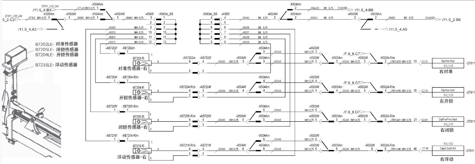
以下是吊具旋锁传感器电路图:

1、吊具电缆注意绑扎固定,避免线路松散后在装卸箱操作时挤压电缆造成损伤。
快速维修故障案例及研讨类技术文由卡尔玛亚洲培训中心(KATC)收集整理编写。转发请注明出处。
卡尔玛亚洲培训中心(KATC)致力于成为引导亚洲集装箱装卸工业领先的培训中心,KATC提供一个专业的平台供广大的合作伙伴和用户在全球无界的知识环境中投入学习、忘掉弊习、重新学习。
了解更多KATC详情:
谢汉生
电话:+86 138 6045 3391
邮箱:Hansheng.Xie@kalmarglobal.com