快速维修故障案例及研讨类技术文由卡尔玛亚洲培训中心(KATC)收集整理编写。转发请注明出处。
卡尔玛亚洲培训中心(KATC)致力于成为引导亚洲集装箱装卸工业领先的培训中心,KATC提供一个专业的平台供广大的合作伙伴和用户在全球无界的知识环境中投入学习、忘掉弊习、重新学习。
了解更多KATC详情:
谢汉生
电话:+86 138 6045 3391
邮箱:Hansheng.Xie@kalmarglobal.com
卡尔玛已连续九年推出快速维修故障案例,帮助客户解决了各类设备故障,减少了设备停机时间。卡尔玛今年将继续在各社交平台推出快速维修故障案例分享,同时也将发布一些研讨类技术文,帮助客户及维修人员解决疑难杂症,普及机车技术理论,进一步帮助客户提高生产力。
我们将分享的2024年第一则是卡尔玛DCU堆高机自动熄火的快速维修案例。

作者:山东庚岳机械设备有限公司 韩传宝
一台交付近5年的DCU80堆高机在工作时出现自动熄火,同时驾驶室显示屏出现002/D7940-1/31的故障码,该车配置Volvo TAD850VE发动机。
1、通过机车对应的技术手册查看故障代码的说明,如下:

从以上故障代码表可以看出,002/D7940-1/31表示发动机控制单元(D7940)缺失,也就是主机控制系统无法与发动机控制单元进行通讯,俗称发动机控制单元通讯故障。
2、发动机控制单元通讯故障,可能原因如下:
a.主机控制系统到发动机控制单元的通讯线路故障;
b.发动机控制单元电源故障,导致电脑板没工作而无法通讯;
c.发动机上的电气故障导致发动机控制单元休眠保护,无法跟外界通讯;
d.发动机控制单元故障;
e.其它未知原因。
3、根据以上分析的可能原因,按从易到难、从外到内的顺序逐个检查。
a.检查主机控制系统到发动机控制单元的通讯线路:
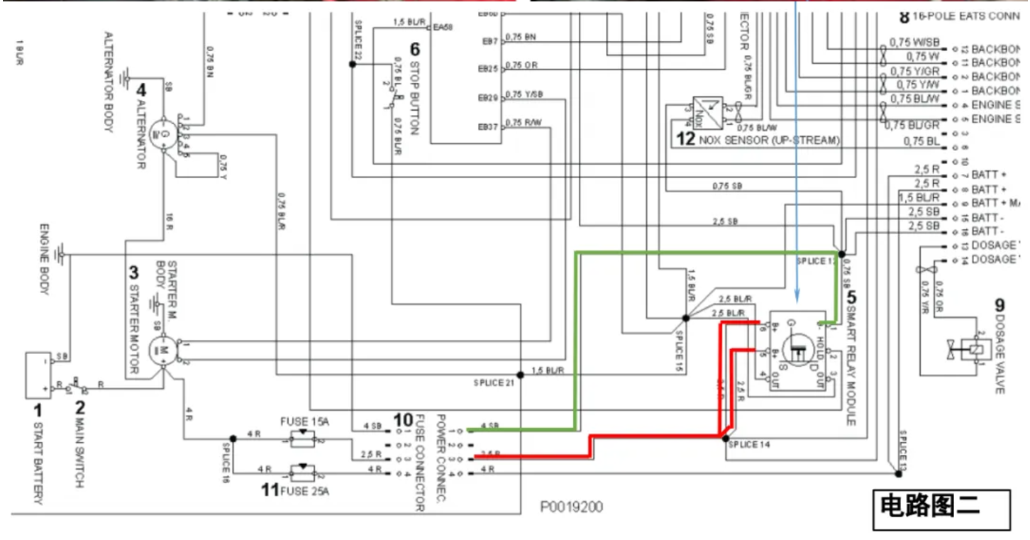
根据以下该机车的电路原理图,主机到发动机控制单元的通讯线为:
CAN高:
底盘控制单元 D7971-C1:p31 → X210m:1 → XD7940:1 发动机控制单元
CAN低:
底盘控制单元 D7971-C1:p32 → X210m:2 → XD7940:2 发动机控制单元

测量这两条通讯线路,未发现短路或断路等异常现场。打开点火钥匙,用万用表粗略检查发动机8针插头XD7940通讯线路第1、2针脚电压,CAN高2.5V,CAN低为2.2V。

而测量发动机8针插头XD7940第7、8针脚诊断通讯线路,电压都为0V

根据以上检查基本可判断主机控制系统的底盘控制单元发出的通讯请求正常,通讯线路正常,但发动机控制单元通讯不工作。
b.检查发动机控制单元电源:
根据以上电路图,发动机控制单元的电瓶电源为X233m插头的3号针脚(正极)和1号针脚(负极)连接过来,测量为25.5V,检查发动机控制单元的点火继电器5号和6号针脚,电压为25.5V,正常。
但是机车点火钥匙打开后,点火继电器的2号针脚没有电压,该电压为发动机控制单元A插头8号针脚输出,判定发动机控制单元未收到点火电源或发动机控制单元故障。


再根据电路图一检查发动机控制单元的点火电源,8针插头XD7940第5针脚,点火钥匙打开后测量电压为0V,确认发动机控制单元没有收到24V点火电源。
点火电源:D7971-C1:p49 → X210m:4 → X251m:2 → XD7940:5
测量X210m插头4针脚有25V电压,说明X210m插头到8针插头XD7940之间的电缆故障。检查这段电缆,发现线号为21004的电线因磨损断开。


检修机车电气故障,结合电路图和机车工作原理,先分析故障发生的可能性原因有哪些,再按照从易到难、从外到内的顺序逐个检查,再隐蔽的故障点都终将被查出。
再次强调,日常检修机车电缆时,最后一定要绑扎固定牢靠,避免电缆晃动或震动而发生磨损。如本案例发动机上电缆因维护后固定不良,在机车使用中晃动过大而造成电缆磨损断开,影响机车意外停机。
快速维修故障案例及研讨类技术文由卡尔玛亚洲培训中心(KATC)收集整理编写。转发请注明出处。
卡尔玛亚洲培训中心(KATC)致力于成为引导亚洲集装箱装卸工业领先的培训中心,KATC提供一个专业的平台供广大的合作伙伴和用户在全球无界的知识环境中投入学习、忘掉弊习、重新学习。
了解更多KATC详情:
谢汉生
电话:+86 138 6045 3391
邮箱:Hansheng.Xie@kalmarglobal.com