快速维修故障案例及研讨类技术文由卡尔玛亚洲培训中心(KATC)收集整理编写。转发请注明出处。
卡尔玛亚洲培训中心(KATC)致力于成为引导亚洲集装箱装卸工业领先的培训中心,KATC提供一个专业的平台供广大的合作伙伴和用户在全球无界的知识环境中投入学习、忘掉弊习、重新学习。
了解更多KATC详情:
谢汉生
电话:+86 138 6045 3391
邮箱:Hansheng.Xie@kalmarglobal.com
卡尔玛已连续九年推出快速维修故障案例,帮助客户解决了各类设备故障,减少了设备停机时间。卡尔玛今年将继续在各社交平台推出快速维修故障案例分享,同时也将发布一些研讨类技术文,帮助客户及维修人员解决疑难杂症,普及机车技术理论,进一步帮助客户提高生产力。
我们将分享的2024年第十二则是DRU正面吊吊具摆动大故障快速维修案例。

作者:卡尔玛华南大区 李毅
客户一台DRU正面吊,使用近4000小时,在行驶过程中出现吊具前后摆动大的故障,无故障代码,吊具其它动作正常。在设备正常作业过程中因吊具前后摆动过大,司机很难控制吊具对准集装箱,导致机车无法正常操作。
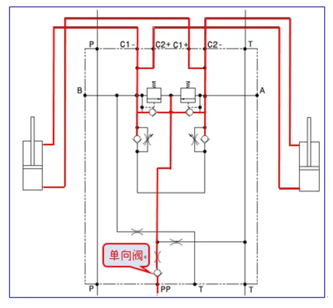
根据正面吊吊具前后平衡控制的工作原理来看,吊具平衡阀组包含限流阀,限流阀产生油缸移动阻力,从而削减吊具振动。吊具平衡阀组由吊具控制阀的伺服压力油控制,此压力被引导至吊具平衡油缸。
这种供油方式意味着机车启动后平衡油缸始终有油。两个平衡控制的限流阀意味着供油不会影响吊具平衡状态,而持续馈压供油意味着检修吊具平衡系统后不必排出油缸中的空气。

根据以上吊具前后平衡控制原理,平衡油缸应始终充满油。而现在吊具前后摆动大,初步判断为平衡油缸供油不足或油压泄漏。首先检查吊具平衡阀压力油进油口PP里的单向阀,检查发现单向阀正常。

重新试车后发现故障已经解除,由于客户急用机车故先交车使用。
但机车使用一星期后故障又再出现。再次拆检吊具平衡阀进油口PP内部的单向阀,发现PP进油口有淡绿色的橡胶颗粒。

由于吊具平衡阀PP进油口是从吊具控制阀的伺服油道PS连接过来,检查这段油管,用压缩空气清理内部是否有异物。拆检吊具控制阀,发现吊具控制阀内部也有淡绿色橡胶颗粒。

现场通过对吊具液压系统中的橡胶颗粒材质分析,和液压油箱回油滤芯材质接近,初步怀疑是回油滤芯损坏,导致橡胶颗粒进入液压系统。
现场拆解回油滤芯,果然发现回油滤芯堵塞严重,滤芯安装外壳已经损坏。

更换回油滤芯,清洁液压油箱和液压系统主要油路和阀组,机车使用正常。
1、与客户沟通,了解到该机车不知上次何时更换过回油滤芯。过长时间不更换回油滤芯,影响回油滤芯过滤效率,并增加回油背压,导致回油滤芯外壳冲爆,从而损坏滤芯。而损坏的滤芯杂质很大可能进入液压系统,造成污染。
2、第一次维修时拆检吊具平衡阀单向阀后,机车使用正常一段时间,可能是在拆检单向阀时较小的橡胶颗粒脱落了,故障临时解除,故重新装回单向阀后机车又恢复正常了,但实际上并没有根本解决问题。
3、在《维护保养手册》中明确要求机车每隔1000小时要更换液压油回油滤芯。

4、建议严格按照卡尔玛的《操作手册》、《维护保养手册》使用和维修保养机车,以免造成不必要的损坏,增加维修成本和停机时间。
快速维修故障案例及研讨类技术文由卡尔玛亚洲培训中心(KATC)收集整理编写。转发请注明出处。
卡尔玛亚洲培训中心(KATC)致力于成为引导亚洲集装箱装卸工业领先的培训中心,KATC提供一个专业的平台供广大的合作伙伴和用户在全球无界的知识环境中投入学习、忘掉弊习、重新学习。
了解更多KATC详情:
谢汉生
电话:+86 138 6045 3391
邮箱:Hansheng.Xie@kalmarglobal.com